NTK anti-lock brake system (ABS) sensors are designed as direct OE replacements, delivering longer component life with heavier wire insulation and weather pack connectors.
Purpose
- The anti-lock brake system (ABS) sensors monitor the vehicle wheel speed
- The ABS control module uses the information received from the ABS wheel speed sensors for several systems such as anti-lock brake, traction control and stability control systems.
Function
NTK anti-lock brake system (ABS) sensors are available in either analog (inductive principle) or digital (hall effect) technologies. The two technologies are not interchangeable.
- Analogue (Inductive) Passive Sensor
- Generates a signal, no external power supply
- Wave-form output signal
- Only signal when wheel turns
- Voltage rises with wheel speed, and depends on distance to wheel (“G“)
- 2 or 3 Pins (3rd for shield)
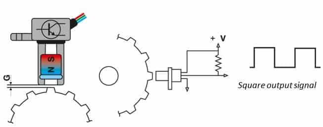
Digital (Hall Effect) Active Sensor
- Integrated electronics
- External power supply
- Square output signal proportional to wheel speed
- Can detect a position even if the wheel is at a standstill
- 3 Pins
Position
At each wheel, the differential or transmission tail shaft housing
Cause for replacement
- ABS/brake lamp illumination
- No/erratic ABS operation
- No/erratic traction control operation
- No/erratic stability control operation
The NTK Difference
- Glass reinforced plastic for superior resistance to contamination
- Includes all necessary brackets and hardware
- Application specific harness length


